昇旺机电积极的拓展市场姿态、良好的市场形象为您开拓市场提供了可能。如果您拥有新产品、新技术,需要进行市场化运作,我们愿为您忠实的合作伙伴。


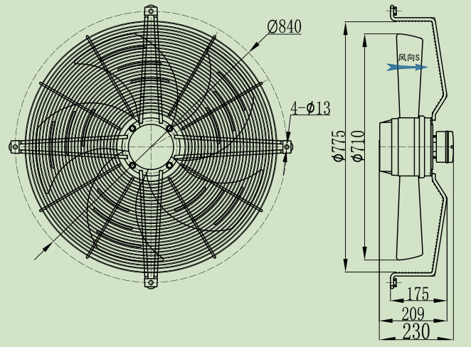
①YWF-外转子轴流风机
②电机极数:6--六极
③D--三相电机、D--三相电机
④风叶直径:710--风叶直径为710mm
1、YWF系列外转子风机是我公司结合了国内多所大学技术、人才的优势,经过反复研究和试制开发出的新产品。和常规的轴流风机相比,该风机具有效率高,噪音低,振动小,结构紧凑,外形美观,叶轮直接固定在外圆上,是轴向尺寸更短。其研制成功是轴流电机的重大突破,达到了国际先进水平,该系列风机已获得国家专利(专利号:ZL200620140185.7).
2、该系列风机由于具有效率高,全封闭,低噪音,低振动,轴向尺寸短,免维护等特点,因而适用场合更广,即可替代常规的轴流风机,又可用于厨卫,工矿厂等油烟较严重的场合。
3,具有结构紧凑、节省空间、设计精巧等优点,电机安装在叶轮中间,对电机自身达到了最大的冷却效果。100%可变速的外转子电机启动电流小,电机防护等级可以达到IP54,绝缘等级为B、F可选,电机内部均设有热保护器。风机能在环境温度-30℃-60℃之间运行。
4,轴流风机又叫局部通风机,是工矿企业常用的一种风机,安不同于一般的风机它的电机和风叶都在一个圆筒里,外形就是一个筒形,用于局部通风,安装方便,通风换气效果明显,安全,可以接风筒把风送到指定的区域。
5,可用于冶金、化工、轻工、食品、医药及民用建筑等场所通风换气或加强散热之用.若将机壳去掉,亦可用做自由风扇,也可在较长的排气管道内间隔串联安装,以提高管道中的风压。
◆外转子网罩型轴流风机采用高强度冷拉钢丝,采用数控成形、模具成形技术,并采用全数字式点焊机加工。表面采用静电喷涂或电泳处理,外形更加美观,坚固。
适用范围:
本系列风机是制冷机组、环保空调、冷风机、冷水机组、中央空调、机械设备等散热冷却所选用的理想配套设备。
按客户要求可以制作成管道高筒(G)、管道矮筒(A)、固定(D)、岗位式(H)网罩式(W)等类型。
用户使用维护须知:
◆使用前先用手拨动叶轮检查转动是否正常,有无变形、碰壁等。确认无误后方可通电试机。本风机使用交流电,电压允差±10%。
◆通电后注意声音是否正常、震动是否明显。发现异常情况应立即停机检查。
◆在使用过程中用户注意使用环境应避免造成有影响风机寿命的因素。风叶粘物不均匀或过多会造成风机超负载而烧毁。应经常进行清理维护,以确保风机运行稳定。
◆所标性能参数为试验室标准状态下的数据,所标压力为静压。风机输送场所应不含易燃、易爆、腐蚀性气体,输送气体中不含粘性、纤维状和颗粒状物质,其温度不大于60°C。相对湿度不大于90%,海拔不超过1000米的条件下使用。
昇旺机电积极的拓展市场姿态、良好的市场形象为您开拓市场提供了可能。如果您拥有新产品、新技术,需要进行市场化运作,我们愿为您忠实的合作伙伴。
联系人:郑娴 手机:13905863865
地址:温岭市城南镇中心工业区